NETTO
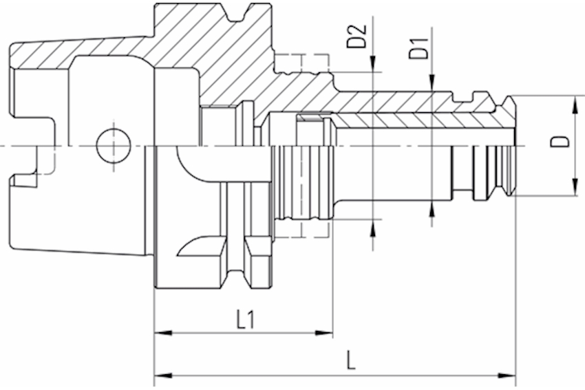
HSK-A 100 PG 25x120 H

Product recommendations

Vischer & Bolli

Produkte

Main Menu

Other

Language: English