NETTO
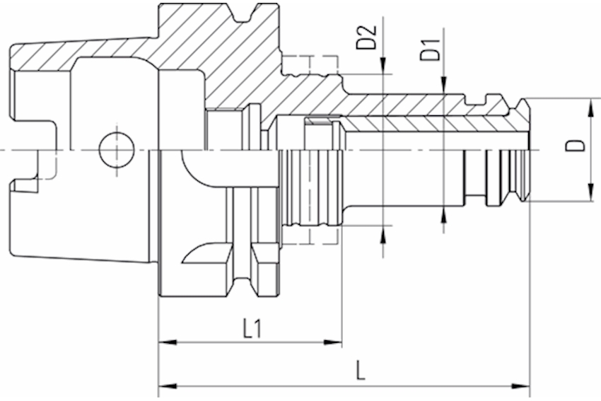
HSK-A 040 PG 10x120 H

Product recommendations

Vischer & Bolli

Produkte

Main Menu

Other

Language: English