NETTO
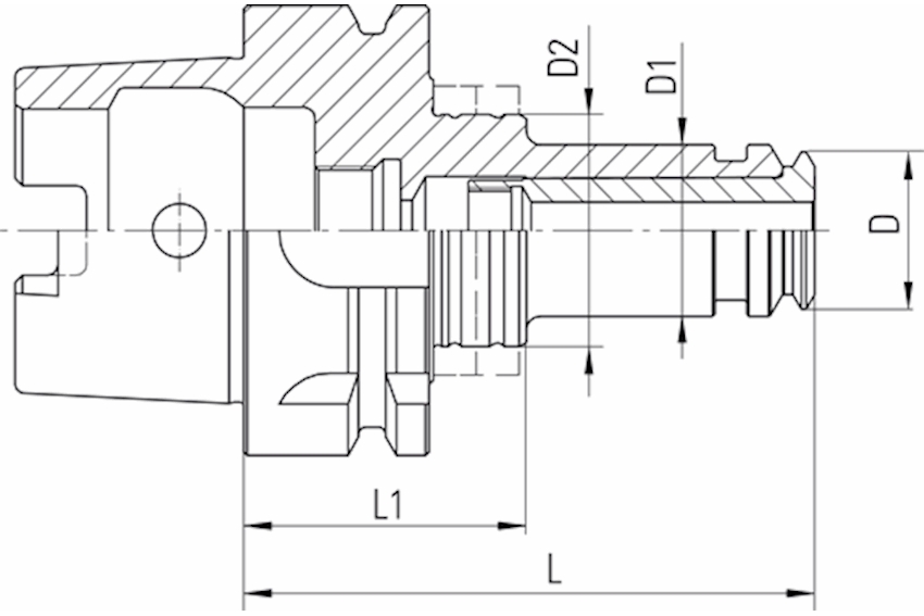
HSK-A 063 PG 15x120 H

Product recommendations

Vischer & Bolli

Produkte

Main Menu

Other

Language: English