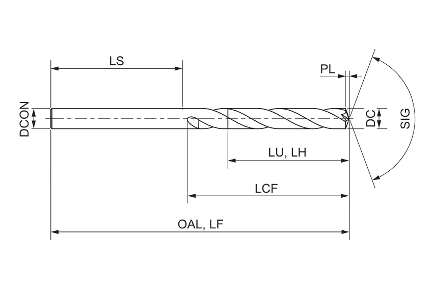
Le foret VHM avec refroidissement interne, revêtement WDI et profondeur de perçage jusqu'à 5xD est adapté aux applications générales et existe en 136 dimensions.