NETTO
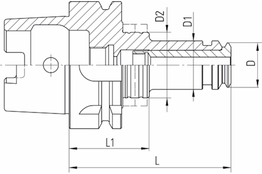
HSK-A 100 PG 15x160 H

Recommandations de produits

Vischer & Bolli

Produits

Menu principal

Autres

Langue: Français